Werkstoff: Stahl C45.


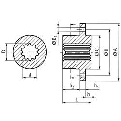
Nabe mit Flansch, für Zahnwellen Profil DIN 5480.
Als Verbindungselement zur Drehmomentübertragung und Zentrierung. Leichte Schiebesitz-Passung mit unseren Zahnwellen Profil DIN 5480.
Die Position der Bohrungen ist ohne Bezug zur Verzahnung. Modul 1,25. Eingriffswinkel 30°. Toleranzfeld 9H.

Service:

Katalogseite



Die angebotenen CAD-Daten, Abbildungen und technischen Zeichnungen werden mit größtmöglicher Sorgfalt erstellt.
Dennoch kann keine Gewährleistung für die Fehlerfreiheit und Genauigkeit dieser Daten übernommen werden.

( freibleibend aus Lagervorrat / kurzfristig lieferbar / Lieferzeit nach Vereinbarung. Bitte fragen Sie nach. )
Artikel Menge Profil
[mm]
Anzahl
Zähne
D
[mm]
d
[mm]
A
[mm]
B
[mm]
B1
[mm]
C h10
[mm]
L
[mm]
h
[mm]
h1
[mm]
h2
[mm]
Gewicht
[kg]
64821510
N 15 x 1,25 x 10101512,558456 x 4,532255,2613,80,2
64822010
N 20 x 1,25 x 14142017,576606 x 6,645407,0825,00,5
64822510
N 25 x 1,25 x 18182522,596786 x 6,6604511,01024,01,1
64823810
N 38 x 1,25 x 2929 3835,596786 x 6,6604511,01024,01,1
64823811
N 38 x 1,25 x 29293835,51351056 x 11756516,01831,03,1
64823812
N 38 x 1,25 x 29293835,51701358 x 141008016,02044,06,5


zur Gruppe


Impressum AGB Hilfe Datenschutzerklärung Index


MÄDLER on Facebook Facebook MÄDLER on Youtube YouTube MÄDLER on X X MÄDLER on Instagram Instagram MÄDLER on Xingk Xing MÄDLER on Linkedin LinkedIn