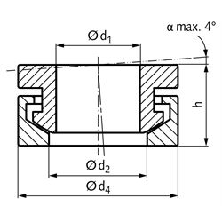
Werkstoff: Kugelscheibe Stahl blank gedreht, einsatzgehärtet, Härtetiefe mindestens 0,2 mm. Kegelpfanne Stahl vergütet. Phosphatiert und geölt.

Kugelscheibe und Kegelpfanne sind unverlierbar miteinander verbunden. Die Gesamthöhe h ist größer als bei den Einzelteilen nach zurückgezogener Norm DIN 6319. Der Außendurchmesser d4 ist ebenfalls meistens größer. Vorteile: Einfache Montage. Nur ein Artikel erforderlich.

Service:

Katalogseite



Die angebotenen CAD-Daten, Abbildungen und technischen Zeichnungen werden mit größtmöglicher Sorgfalt erstellt.
Dennoch kann keine Gewährleistung für die Fehlerfreiheit und Genauigkeit dieser Daten übernommen werden.

( freibleibend aus Lagervorrat / kurzfristig lieferbar / Lieferzeit nach Vereinbarung. Bitte fragen Sie nach. )
Artikel Menge d1+0,22
[mm]
d2+0,22
[mm]
d4-0,2
[mm]
h ˜
[mm]
für Bolzen
[mm]
F
[kN]
Gewicht
[g]
65540600K
6,47,4137M694
65540800K
8,49,7178,5M8179
65541000K
10,512,02110,4M102616
65541200K
1314,22513,1M123831
65541600K
1719,73217M167362
65542000K
2124,64020,3M20117122
65542400K
2529,44824,8M24168216
65543000K
3136,96031,5M30269427


zur Gruppe


Impressum AGB Hilfe Datenschutzerklärung Index


MÄDLER on Facebook Facebook MÄDLER on Youtube YouTube MÄDLER on X X MÄDLER on Instagram Instagram MÄDLER on Xingk Xing MÄDLER on Linkedin LinkedIn