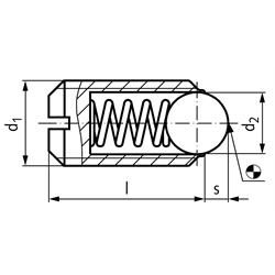
Werkstoff: Hülse: Automatenstahl brüniert. Kugel: gehärtet. Feder: Edelstahl. Normaler Federdruck.

* statistischer Mittelwert

Hinweis Diese Druckstücke werden beispielsweise zur Arretierung sowie als An- und Abdrückstifte verwendet. Temperaturbereich: -40 ° C bis +250 ° C.

Service:

Katalogseite



Die angebotenen CAD-Daten, Abbildungen und technischen Zeichnungen werden mit größtmöglicher Sorgfalt erstellt.
Dennoch kann keine Gewährleistung für die Fehlerfreiheit und Genauigkeit dieser Daten übernommen werden.

( freibleibend aus Lagervorrat / kurzfristig lieferbar / Lieferzeit nach Vereinbarung. Bitte fragen Sie nach. )
Artikel Menge d1
[mm]
d2
[mm]
l
[mm]
s
[mm]
Federkraft *F1
[N]
*F2
[N]
Gewicht
[g]
65460200
M 21,040,30,81,50,1
65460300
M 31,570,434,50,3
65460400
M 42,590,8614,50,6
65460500
M 53,0120,9814,00,9
65460600
M 63,5141,01118,01,5
65460800
M 84,5161,51831,03,5
65461000
M 106,0192,02445,07,0
65461200
M 128,0222,52649,010,0
65461600
M 1610,0243,54186,024,0
65462000
M 2012,0304,556111,043,0
65462400
M 2415,0345,581151,070,0


zur Gruppe


Impressum AGB Hilfe Datenschutzerklärung Index


MÄDLER on Facebook Facebook MÄDLER on Youtube YouTube MÄDLER on X X MÄDLER on Instagram Instagram MÄDLER on Xingk Xing MÄDLER on Linkedin LinkedIn