Werkstoff: Edelstahl 1.4301 (V2A).

Form A: mit Gewindezapfen ohne Schlüsselfäche.

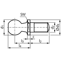
Form C: mit Gewindezapfen und Schlüsselfläche.

Die Kugelzapfen ermöglichen Bewegungen in verschiedene Richtungen. Der Gewindezapfen mit Rechtsgewinde ist mit einer Sechskantmutter eine lösbare Verbindung und wird häufig in verstellbaren Verbindungen, z.B. in Gestängen oder Schubstangen, verwendet. Diese Gewindezapfen können für Kugelpfannen DIN 71805 oder als Ersatzteil für Winkelgelenke DIN 71802 verwendet werden.

Service:

Katalogseite



Die angebotenen CAD-Daten, Abbildungen und technischen Zeichnungen werden mit größtmöglicher Sorgfalt erstellt.
Dennoch kann keine Gewährleistung für die Fehlerfreiheit und Genauigkeit dieser Daten übernommen werden.

( freibleibend aus Lagervorrat / kurzfristig lieferbar / Lieferzeit nach Vereinbarung. Bitte fragen Sie nach. )
Artikel Menge Formd1 h9
[mm]
d2
[mm]
d3 h14
[mm]
C4 +0,4
[mm]
l2 ±0,3
[mm]
l3 ±0,3
[mm]
l4 ±0,3
[mm]
SW
[mm]
Gewicht
[kg/100 Stück]
63660533
A8M582,010,2912,570,455
63660633
A10M6102,212,51115,580,85
63660833
A13M8132,416,51318,5111,77
63661033
A16M10162,720,01623,0133,51
63661433
A19M14 x 1,5193,028,02028,5167,12
63660534
C8M5 82,010,2912,570,455
63660634
C10M6102,212,51115,580,85
63660834
C13M8132,416,51318,5111,77
63661034
C16M10162,720,01623,0133,51
63661434
C19M14 x 1,5193,028,02028,5167,12


zur Gruppe


Impressum AGB Hilfe Datenschutzerklärung Index


MÄDLER on Facebook Facebook MÄDLER on Youtube YouTube MÄDLER on X X MÄDLER on Instagram Instagram MÄDLER on Xingk Xing MÄDLER on Linkedin LinkedIn