Werkstoff: Aluminiumdruckguss.

Passend zu Präzisionsgehäuse KG für Linearlager der ISO-Reihe 3.
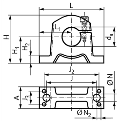
Wellenböcke sind praktische und robuste Maschinenelemente, die dazu dienen, die Führungswellen der Linearkugellager auf einfache Weise an den jeweiligen Maschinenteilen zu befestigen. Sie ermöglichen maßgenaue vor allem aber kostengünstige Konstruktionen

Service:

Katalogseite



Die angebotenen CAD-Daten, Abbildungen und technischen Zeichnungen werden mit größtmöglicher Sorgfalt erstellt.
Dennoch kann keine Gewährleistung für die Fehlerfreiheit und Genauigkeit dieser Daten übernommen werden.

( freibleibend aus Lagervorrat / kurzfristig lieferbar / Lieferzeit nach Vereinbarung. Bitte fragen Sie nach. )
Artikel Menge da
[mm]
A
[mm]
H1
[mm]
H2
[mm]
H
[mm]
J
[mm]
J2
[mm]
J3
[mm]
L
[mm]
L1
[mm]
N
[mm]
N2
[mm]
Gewicht
[g]
64640800
810155,525,025355,04519,04,32,70,012
64641200
1212206,032,532426,05225,05,33,20,023
64641600
1615207,035,540467,55631,85,34,30,034
64642000
2020258,043,5455810,07037,05,35,30,065
64642500
25283010,053,0606816,08048,06,46,40,140
64643000
30303510,063,0687618,08856,08,46,40,200
64644000
40364512,081,0869422,010871,010,58,40,470
64645000
50495014,092,510811630,013586,010,510,50,680


zur Gruppe


Impressum AGB Hilfe Datenschutzerklärung Index


MÄDLER on Facebook Facebook MÄDLER on Youtube YouTube MÄDLER on X X MÄDLER on Instagram Instagram MÄDLER on Xingk Xing MÄDLER on Linkedin LinkedIn