Werkstoff: Stranggepresstes Aluminium. Klemmschraube DIN 912, Stahl 8.8, verzinkt.

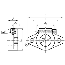
Universell einsetzbare Wellenböcke, z.B. zum Anflanschen von Führungswellen.
Die Klemmung erfolgt mittels Inbusschraube.

Service:

Katalogseite



Die angebotenen CAD-Daten, Abbildungen und technischen Zeichnungen werden mit größtmöglicher Sorgfalt erstellt.
Dennoch kann keine Gewährleistung für die Fehlerfreiheit und Genauigkeit dieser Daten übernommen werden.

( freibleibend aus Lagervorrat / kurzfristig lieferbar / Lieferzeit nach Vereinbarung. Bitte fragen Sie nach. )
Artikel Menge da
[mm]
L
[mm]
A
[mm]
A1
[mm]
df
[mm]
J
[mm]
L1
[mm]
N
[mm]
Klemmschraube
[DIN 912]
sw
[mm]
Gewicht
[g]
64640510
10431052032245,5M4313
64640512
12471372536285,5M4320
64640514
14471372536285,5M4318
64640516
16501682840315,5M4327
64640520
20602083448377M5440
64640525
257025104056427M5460
64640530
308030124664509M65110
64640540
40105401656806712M108510
64640550
50122501970968314M1210890


zur Gruppe


Impressum AGB Hilfe Datenschutzerklärung Index


MÄDLER on Facebook Facebook MÄDLER on Youtube YouTube MÄDLER on X X MÄDLER on Instagram Instagram MÄDLER on Xingk Xing MÄDLER on Linkedin LinkedIn