Werkstoff: Gehäuse aus Edelstahl 1.4301 (X5CrNi18-10). Lagereinsatz aus Edelstahl 1.4125 (X105CrMo17), gefettet mit Lebensmittelfett FM 222, mit Zulassung FDA, CIFA, KPF2K-20, NSF H1.

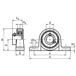
Der Lagereinsatz kann im Gehäuse geschwenkt werden, um Fluchtungsfehler bei der Montage auszugleichen. Die Welle wird mit 2 Stellschrauben befestigt. Das Lager ist für normale Betriebsverhältnisse lebensdauergeschmiert.

1) Max. radiale Belastbarkeit bei Axialkraft = 0. Die axiale Tragzahl beträgt ca. 20% der radialen Tragzahl.

Service:

Katalogseite

Zusätzliche Informationen



Die angebotenen CAD-Daten, Abbildungen und technischen Zeichnungen werden mit größtmöglicher Sorgfalt erstellt.
Dennoch kann keine Gewährleistung für die Fehlerfreiheit und Genauigkeit dieser Daten übernommen werden.

( freibleibend aus Lagervorrat / kurzfristig lieferbar / Lieferzeit nach Vereinbarung. Bitte fragen Sie nach. )
Artikel Menge Nr.d
[mm]
a
[mm]
b
[mm]
e
[mm]
g
[mm]
h
[mm]
s1
[mm]
w
[mm]
Lk
[mm]
nk
[mm]
Lager Tragzahlen1)
dyn. C
[kN]
Lager Tragzahlen1)
stat. Co
[kN]
Gewicht
[g]
62599610
000106716536187351544,01,670
62599612
001127116566197381544,41,95100
62599615
0021580166372274316,54,54,852,3140
62599617
0031785186772474717,555,22,7190
62599620
00420100208092810552168,14,1230
62599625
0052511220901032106222,568,754,75290


zur Gruppe


Impressum AGB Hilfe Datenschutzerklärung Index


MÄDLER on Facebook Facebook MÄDLER on Youtube YouTube MÄDLER on X X MÄDLER on Instagram Instagram MÄDLER on Xingk Xing MÄDLER on Linkedin LinkedIn