Werkstoff: Thermoplast Polybutylenterephthalat, mit Gleitzusätzen (PBT + PTFE), weiß.
Gleitlager-Buchse aus Kunststoff mit hoher Maßgenauigkeit.
Geringe Reibung. Besonders geeignet auch für Trockenlauf und Einsatz bei tiefen bis mittleren Temperaturen.
  • Preiswert, aber mit hoher Maßgenauigkeit.
  • Geringe Reibung, für Trockenlauf und Nasslauf optimiert.
  • Temperaturbereich -50ºC bis + 170ºC.

Betriebsbedingungen:
Trockenlauf: Sehr gut.
Öl-, Fettgeschmiert: Gut.
Wassergeschmiert: Sehr gut.
Einsatzgebiete:
z.B. Haushaltsgeräte, Chemieanlagen, Büromaschinen,Sportgeräte, Fahrzeugbau (Pedale, Lenkungen, Achsen) und vieles mehr.

Service:

Katalogseite



Die angebotenen CAD-Daten, Abbildungen und technischen Zeichnungen werden mit größtmöglicher Sorgfalt erstellt.
Dennoch kann keine Gewährleistung für die Fehlerfreiheit und Genauigkeit dieser Daten übernommen werden.

( freibleibend aus Lagervorrat / kurzfristig lieferbar / Lieferzeit nach Vereinbarung. Bitte fragen Sie nach. )
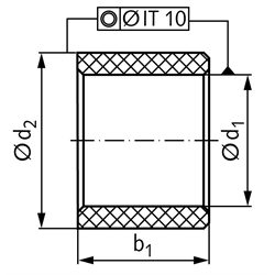
Artikel Menge d1
[mm]
d2
[mm]
b1
[mm]
unteres Abmaß d1
[mm]
oberes Abmaß d1
[mm]
Gewicht
[g]
62720806
8106+0,025+0,0830,2
62720808
8108+0,025+0,0830,3
62720810
81010+0,025+0,0830,4
62720812
81012+0,025+0,0830,5
62720815
81015+0,025+0,0830,6
62721004
10124+0,025+0,0830,2
62721006
10126+0,025+0,0830,3
62721008
10128+0,025+0,0830,4
62721010
101210+0,025+0,0830,5
62721015
101215+0,025+0,0830,7
62721020
101220+0,025+0,0831,0
62721210
121410+0,032+0,1020,6
62721212
121412+0,032+0,1020,7
62721215
121415+0,032+0,1020,9
62721220
121420+0,032+0,1021,2
62721412
141612+0,032+0,1020,9
62721415
141615+0,032+0,1021,0
62721420
141620+0,032+0,1021,4
62721425
141625+0,032+0,1021,7
62721515
151715+0,032+0,1021,1
62721520
151720+0,032+0,1021,4
62721525
151725+0,032+0,1021,7
62721615
161815+0,032+0,1021,2
62721620
161820+0,032+0,1021,6
62721625
161825+0,032+0,1021,8
62721820
182020+0,032+0,1021,8
62721825
182025+0,032+0,1022,0
62722010
202310+0,040+0,1241,5
62722015
202315+0,040+0,1242,2
62722020
202320+0,040+0,1242,9
62722025
202325+0,040+0,1243,9
62722030
202330+0,040+0,1244,4
62722515
252815+0,040+0,1242,7
62722520
252820+0,040+0,1243,6
62723020
303420+0,040+0,1246,2
62723030
303430+0,040+0,1249,3
62724030
404430+0,050+0,15012,2
62724040
404440+0,050+0,15016,3
62725040
505540+0,050+0,15025,4
62725050
505550+0,050+0,15031,7
62726040
606540+0,050+0,15030,2
62726060
606560+0,050+0,15045,4


zur Gruppe


Impressum AGB Hilfe Datenschutzerklärung Index


MÄDLER on Facebook Facebook MÄDLER on Youtube YouTube MÄDLER on X X MÄDLER on Instagram Instagram MÄDLER on Xingk Xing MÄDLER on Linkedin LinkedIn