Werkstoff: Thermoplast Polyphenylensulfid, verstärkt, mit Gleitzusätzen (PPS + PTFE + Aramid), braun.
Gleitlager-Bundbuchse aus technisch hochwertigem Kunststoff.
Sehr geringe Reibung. Besonders geeignet auch für Trockenlauf, für Einsatz unter Wasser und bei hohen Temperaturen.
  • Gute Chemikalien- und Hydrolyse-Beständigkeit.
  • Sehr geringe Reibung, für Trockenlauf optimiert.
  • Hohe Maßgenauigkeit und Dimensionsstabilität.
  • Temperaturbereich -40ºC bis + 240ºC.

Betriebsbedingungen:
Trockenlauf: Sehr gut.
Öl-, Fettgeschmiert: Gut.
Wassergeschmiert: Sehr gut.
Einsatzgebiete:
z.B. Haushaltsgeräte, Fördertechnik, Apparatebau, Spielautomaten, Geldkassetten und vieles mehr.

Service:

Katalogseite



Die angebotenen CAD-Daten, Abbildungen und technischen Zeichnungen werden mit größtmöglicher Sorgfalt erstellt.
Dennoch kann keine Gewährleistung für die Fehlerfreiheit und Genauigkeit dieser Daten übernommen werden.

( freibleibend aus Lagervorrat / kurzfristig lieferbar / Lieferzeit nach Vereinbarung. Bitte fragen Sie nach. )
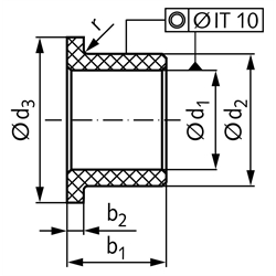
Artikel Menge d1
[mm]
d2
[mm]
d3
[mm]
b1
[mm]
b2
[mm]
r
[mm]
unteres Abmaß d1
[mm]
oberes Abmaß d1
[mm]
Gewicht
[g]
62710805
810155,51,00,3+0,013+0,0710,4
62710807
810157,51,00,3+0,013+0,0710,5
62710810
81015101,00,3+0,013+0,0710,5
62711007
10121871,00,3+0,013+0,0710,6
62711009
10121891,00,3+0,013+0,0710,7
62711012
101218121,00,3+0,013+0,0710,8
62711015
101218151,00,3+0,013+0,0711,0
62711017
101218171,00,3+0,013+0,0711,1
62711207
12142071,00,3+0,016+0,0860,6
62711209
12142091,00,3+0,016+0,0860,8
62711212
121420121,00,3+0,016+0,0861,2
62711215
121420151,00,3+0,016+0,0861,3
62711217
121420171,00,3+0,016+0,0861,4
62711220
121420201,00,3+0,016+0,0861,5
62711412
141622121,00,3+0,016+0,0860,9
62711417
141622171,00,3+0,016+0,0861,5
62711509
15172391,00,3+0,016+0,0861,0
62711512
151723121,00,3+0,016+0,0861,2
62711517
151723171,00,3+0,016+0,0861,5
62711520
151723201,00,3+0,016+0,0861,8
62711617
161824171,00,3+0,016+0,0861,7
62712011
20233011,51,50,5+0,020+0,1042,4
62712016
20233016,51,50,5+0,020+0,1043,2
62712021
20233021,51,50,5+0,020+0,1043,9
62712511
25283511,51,50,5+0,020+0,1042,9
62712516
25283516,51,50,5+0,020+0,1043,9
62712521
25283521,51,50,5+0,020+0,1044,9


zur Gruppe


Impressum AGB Hilfe Datenschutzerklärung Index


MÄDLER on Facebook Facebook MÄDLER on Youtube YouTube MÄDLER on X X MÄDLER on Instagram Instagram MÄDLER on Xingk Xing MÄDLER on Linkedin LinkedIn