Gleitlager-Bundbuchse aus Stahlblech mit multiporöser Bronzeschicht und Gleitschicht aus PTFE-Blei-Gemisch. Besonders geeignet für Trockenlauf, hohe Belastung, extreme Temperaturen.

Völlig ungeschmierte Gleitlager Aufbau: Verzinnter Stahlrücken (inkl. Kanten). Multiporöse Bronzeschicht, Gleitschicht PTFE-Blei-Gemisch.

Technische Daten: Stat. Flächenpressung max. 250 N/mm². Dyn. Lagerbelastung max. 56 N/mm². Reibungskoeffizient von 0,03 - 0,20. Gleitgeschwindigkeit max. 2 m/s. Temperaturbereich -195 °C bis + 280 °C. Therm. Leitfähigkeit 40 W/K*m.

Empfohlene Einbautoleranzen: Gehäusebohrung H7, Wellentoleranz bis Ø55 : f7. Über Ø55: h8.

Hauptmerkmale: Selbstschmierend und wartungsfrei. Einbaufertig. Optimal geeignet für niedere Gleitgeschwindigkeiten. Geringer Verschleiß, niedriger Reibungswert, kein ""Stick Slip"". Beste Eignung für Umlauf-, Schwenk- und teilweise Axialbewegungen. Einsatz bei höchsten Lagerdrücken. Unempfindlich gegen Stoßbelastungen. Keine Feuchtigkeitsaufnahme. Hohe Korrosionsbeständigkeit.

Service:

Katalogseite



Die angebotenen CAD-Daten, Abbildungen und technischen Zeichnungen werden mit größtmöglicher Sorgfalt erstellt.
Dennoch kann keine Gewährleistung für die Fehlerfreiheit und Genauigkeit dieser Daten übernommen werden.

( freibleibend aus Lagervorrat / kurzfristig lieferbar / Lieferzeit nach Vereinbarung. Bitte fragen Sie nach. )
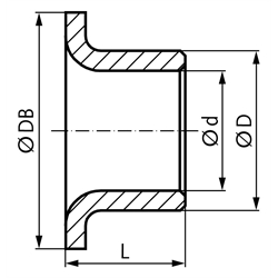
Artikel Menge d
[mm]
D
[mm]
DB
[mm]
L
[mm]
Gewicht
[g]
62410304
34,5750,3
62410404
45,595,60,5
62410505
571060,9
62410606
681271,4
62410806
810155,51,9
62410808
810159,52,3
62411008
10121892,9
62411012
101218124
62411215
121420175,6
62411415
141622176,2
62411512
151723125
62411520
151723178,5
62411620
161824179,1
62411812
182026126,6
62412012
20233011,513,7
62412220
22253221,521
62412525
25283526,527,3
62413030
3034423053,3
62413520
3539472646
62413540
3539474081,4
62414040
4044532692
62415040
50556022145,8


zur Gruppe


Impressum AGB Hilfe Datenschutzerklärung Index


MÄDLER on Facebook Facebook MÄDLER on Youtube YouTube MÄDLER on X X MÄDLER on Instagram Instagram MÄDLER on Xingk Xing MÄDLER on Linkedin LinkedIn