Werkstoff: Stahl, Festigkeit min. 350 N/mm².

Zur Sicherung von Nutmuttern DIN 981.Auf dem Bolzengewinde ist eine Keilnut erforderlich.

Service:

Katalogseite



Die angebotenen CAD-Daten, Abbildungen und technischen Zeichnungen werden mit größtmöglicher Sorgfalt erstellt.
Dennoch kann keine Gewährleistung für die Fehlerfreiheit und Genauigkeit dieser Daten übernommen werden.

( freibleibend aus Lagervorrat / kurzfristig lieferbar / Lieferzeit nach Vereinbarung. Bitte fragen Sie nach. )
Artikel Menge Typpassend
zu
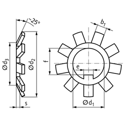
Ø d1
[mm]
Ø d2
[mm]
Ø d3
[mm]
e
[mm]
f
[mm]
b 1
[mm]
s
[mm]
Gewicht
[g]
65363001
MB 0KM 0102113,538,531,001
65363201
MB 1KM 1122517310,531,002
65363401
MB 2KM 2152821413,541,003
65363701
MB 3KM 3173224415,541,003
65364001
MB 4KM 4203626418,541,004
65364401
MB 5KM 5254232523,051,256
65364801
MB 6KM 6304938527,551,258
65365301
MB 7KM 7355744632,551,2510
65365801
MB 8KM 8406250637,561,2512
65366201
MB 9KM 9456956642,561,2515
65366501
MB 10KM 10507461647,561,2516
65366801
MB 11KM 11558167852,571,5020
65367101
MB 12KM 12608673857,571,5025
65367301
MB 13KM 13659279862,571,5029
65367501
MB 14KM 14709885866,581,5033
65367801
MB 15KM 157510490871,581,5036
65368001
MB 16KM 1680112951076,581,8046
65368301
MB 17KM 17851191021081,581,8052
65368501
MB 18KM 18901261081086,5101,8062
65368701
MB 19KM 19951331131091,5101,8067
65369001
MB 20KM 201001421201296,5101,8077
65363801
MB 21KM 2110514512612100,5121,883
65363901
MB 22KM 2211015413312105,5121,894
65364101
MB 23KM 2311515913712110,5122,0108
65364201
MB 24KM 2412016413814115122,0105
65364301
MB 25KM 2512517014814120122,0118
65364501
MB 26KM 2613017514914125122,0113
65364601
MB 27KM 2713518516014130142,0144
65364701
MB 28KM 2814019216016135142,0142
65364901
MB 29KM 2914520217116140142,0168
65365001
MB 30KM 3015020517116145142,0155
65365101
MB 31KM 3115521218216147,5162,5209
65365201
MB 32KM 3216021718218154162,5229
65365401
MB 33KM 3316522219318157,5162,5241
65365501
MB 34KM 3417023219318164162,5247
65365601
MB 36KM 3618024220320174182,5268
65365701
MB 38KM 3819025221420184182,5278
65365901
MB 40KM 4020026222620194182,5293


zur Gruppe


Impressum AGB Hilfe Datenschutzerklärung Index


MÄDLER on Facebook Facebook MÄDLER on Youtube YouTube MÄDLER on X X MÄDLER on Instagram Instagram MÄDLER on Xingk Xing MÄDLER on Linkedin LinkedIn