Werkstoff: Stahl, blank.

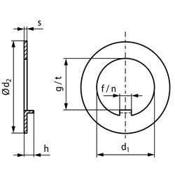
Sicherungsblech mit Innennase zur Sicherung von Nutmuttern DIN 1804. Auf dem Bolzengewinde ist eine Keilnut erforderlich.
Nach dem Einstellen bzw, Festziehen der Mutter muss der Blechrand in eine Nut der Mutter eingebördelt werden.

Service:

Katalogseite



Die angebotenen CAD-Daten, Abbildungen und technischen Zeichnungen werden mit größtmöglicher Sorgfalt erstellt.
Dennoch kann keine Gewährleistung für die Fehlerfreiheit und Genauigkeit dieser Daten übernommen werden.

( freibleibend aus Lagervorrat / kurzfristig lieferbar / Lieferzeit nach Vereinbarung. Bitte fragen Sie nach. )
Artikel Menge passend zu
DIN 1804
d1H11
[mm]
d2h11
[mm]
s
[mm]
fc11
[mm]
gH11
[mm]
h
[mm]
Wellen-Nut
nH11
[mm]
Wellen-Nut
t max.
[mm]
Gewicht
[g]
65260801
M8x18200,835,92,535,82
65261001
M10x110250,847,4347,33
65261401
M14x1,514300,8511,43511,33
65261601
M16x1,516321,0513,53513,44
65261801
M18x1,518341,0615,44615,34
65262001
M20x1,520361,0617,54617,44
65262201
M22x1,522401,0619,54619,45
65262401
M24x1,524421,0621,64621,57
65262801
M28x1,528501,0725,55725,48
65263001
M30x1,530501,2727,55727,48
65263201
M32x1,532521,2729,65729,59
65263501
M35x1,535551,2732,65732,59
65263801
M38x1,538581,2835,35835,212
65264001
M40x1,540621,2837,35837,214
65264201
M42x1,542621,2839,35839,213
65264501
M45x1,545681,2842,45842,217
65264801
M48x1,548751,2845,45845,221
65265001
M50x1,550751,2847,45847,220
65265201
M52x1,552801,21049,361049,123
65265501
M55x1,555801,21052,361052,122
65265801
M58x1,558901,51055,361055,130
65266001
M60x1,560901,51057,361057,129
65266201
M62x1,562951,51059,361059,133
65266501
M65x1,565951,51062,461062,230
65267001
M70x1,5701001,51067,461067,235
65267201
M72x1,5721101,51068,971068,765
65267501
M75x1,5751101,51071,971071,761
65268001
M80x2801151,51076,971076,764
65268501
M85x2851201,51081,971081,767
65269501
M95x2951351,51291,881291,687
65269901
M100x21001451,51296,981296,7103


zur Gruppe


Impressum AGB Hilfe Datenschutzerklärung Index


MÄDLER on Facebook Facebook MÄDLER on Youtube YouTube MÄDLER on X X MÄDLER on Instagram Instagram MÄDLER on Xingk Xing MÄDLER on Linkedin LinkedIn