Werkstoff Innenring: iglidur® W300, gelblich.

Werkstoff Außenteil: igumid® G, schwarz.

  • Wartungsfreier Trockenlauf, leise und schwingungsdämpfend.
  • Hohe Dauerfestigkeit bei sehr geringem Gewicht.
  • Korrosionsbeständig. Gute Chemikalienbeständigkeit.
  • Elektrisch und thermisch isolierend.
Die Welle muss in der Innenring-Bohrung rotieren. Bei Wellen aus Metall ist eine Gleitgeschwindigkeit bis 30 m/min. möglich.

Der Innenring darf nur Fluchtungsfehler ausgleichen.

Temperaturbereich -30º bis +80ºC.

Service:

Katalogseite



Die angebotenen CAD-Daten, Abbildungen und technischen Zeichnungen werden mit größtmöglicher Sorgfalt erstellt.
Dennoch kann keine Gewährleistung für die Fehlerfreiheit und Genauigkeit dieser Daten übernommen werden.

( freibleibend aus Lagervorrat / kurzfristig lieferbar / Lieferzeit nach Vereinbarung. Bitte fragen Sie nach. )
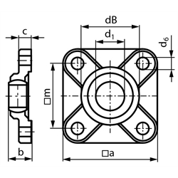
Artikel Menge d1 E10
[mm]
b
[mm]
dB
[mm]
a
[mm]
m+/-0,1
[mm]
c+/-0,1
[mm]
d6
[mm]
Tragzahl radial statisch
[N]
Tragzahl axial statisch
[N]
Kippwinkel Alpha
[Grad]
Gewicht
[g]
62155004
48,51425174,53,2500100282,6
62155005
58,51425174,53,2500150292,7
62155006
68,51425174,53,2500150252,8
62155008
810,51833225,54,3700225255,9
62155010
101221,938266,55,31000350259,1
62155012
121325402875,312504252111
62155015
1515,53049348,56,415005502020,2
62155016
1616,532523696,416006752723,3
62155017
1718355438106,417008002127,9
62155020
2020406545118,4200010001945
62155025
252548,57452148,4280012001576
62155030
302654,585601510,53000140014101


zur Gruppe


Impressum AGB Hilfe Datenschutzerklärung Index


MÄDLER on Facebook Facebook MÄDLER on Youtube YouTube MÄDLER on X X MÄDLER on Instagram Instagram MÄDLER on Xingk Xing MÄDLER on Linkedin LinkedIn