Werkstoff: Elastomer: Naturkautschuk 62° +/-5° Shore. Metallteile: Stahl Güte 5.6, verzinkt.


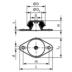
Maschinenfüße ohne Abreißsicherung sind vielseitig verwendbare Elemente für die elastische Lagerung von Maschinen. Für Einsatzfälle, bei denen nicht mit Zugkräften zu rechnen ist.
Die angegebenen Werte sind Richtwerte für die statische Belastung bei einer Gummihärte von 62º Shore A (mittel), +/- 20%.

1) Mittlere Federrate.
2) Zul. stat. max. Dauerbelastung.

Service:

Katalogseite



Die angebotenen CAD-Daten, Abbildungen und technischen Zeichnungen werden mit größtmöglicher Sorgfalt erstellt.
Dennoch kann keine Gewährleistung für die Fehlerfreiheit und Genauigkeit dieser Daten übernommen werden.

( freibleibend aus Lagervorrat / kurzfristig lieferbar / Lieferzeit nach Vereinbarung. Bitte fragen Sie nach. )
Artikel Menge D
[mm]
D2
[mm]
d
[mm]
G
[mm]
H
[mm]
L
[mm]
L2
[mm]
m
[mm]
s
[mm]
CDmittel1)
[N/mm]
Fzul.2)
[N]
Einfederung
[mm]
Gewicht
[kg]
68594001
48386,2M8238150681,5125012501,00,10
68594501
60468,3 x 16M10311066075 - 903250037501,50,23
68595001
77599M1030128771102250050002,00,52
68595201
826411M1035128821103350070002,00,41
68595501
9273,510,5M1245138951103330082502,50,62
68596001
1068114 x 18M1238172108138 - 14634100102502,50,66
68596501
1088316,5M16501901121605320096003,01,26
68597001
1219213,5M164218812215833400102003,00,98
68597501
14412014 x 18M164821614418643600136503,81,62


zur Gruppe


Impressum AGB Hilfe Datenschutzerklärung Index


MÄDLER on Facebook Facebook MÄDLER on Youtube YouTube MÄDLER on X X MÄDLER on Instagram Instagram MÄDLER on Xingk Xing MÄDLER on Linkedin LinkedIn