Werkstoff: NBR, schwarz, 70º +/-5º Shore A.

Ölbeständige Gummiunterlage zum Einclipsen in die Bohrungen der MÄDLER® Maschinenfüße mit oder ohne Abreißsicherung. Die Unterseite ist mit kleinen Noppen versehen. Diese Gummiunterlage ermöglicht ein rutschfestes, vibrationsgedämpftes Aufstellen der Maschinenfüße. Nur für Anwendungen, bei denen es nicht erforderlich ist, die Maschinenfüße am Boden festzuschrauben.

Service:

Katalogseite



Die angebotenen CAD-Daten, Abbildungen und technischen Zeichnungen werden mit größtmöglicher Sorgfalt erstellt.
Dennoch kann keine Gewährleistung für die Fehlerfreiheit und Genauigkeit dieser Daten übernommen werden.

( freibleibend aus Lagervorrat / kurzfristig lieferbar / Lieferzeit nach Vereinbarung. Bitte fragen Sie nach. )
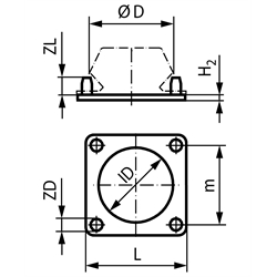
Artikel Menge D
[mm]
L
[mm]
H2
[mm]
ID
[mm]
m
[mm]
ZD
[mm]
ZL
[mm]
Gewicht
[g]
68598099
101108481889,3636
68598599
150168411513212,8776
68599099
177184413815013,37,581
68599599
192200414516513,39102


zur Gruppe


Impressum AGB Hilfe Datenschutzerklärung Index


MÄDLER on Facebook Facebook MÄDLER on Youtube YouTube MÄDLER on X X MÄDLER on Instagram Instagram MÄDLER on Xingk Xing MÄDLER on Linkedin LinkedIn