Werkstoff: Edelstahl 1.4305 (V2A), Schraube Edelstahl A2-70.

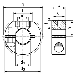
Ausführung GR: Mit Auflagefläche, mit zwei BefestigungsGewindebohrungen in radialer Richtung.

Das Gewinde der Klemmschraube DIN 912 ist mit einer Polyamidschicht überzogen.
Breitentoleranz b: +0,08 mm / -0,25 mm. Temperaturbereich: -40ºC bis +175ºC.

Merkmale: Beschädigen nicht die Welle, größere Haltekräfte als Stellringe, gleichmäßige Verteilung der Klemmkräfte, einfache Neujustierung, absolut präzise Bohrungen.


Service:

Katalogseite



Die angebotenen CAD-Daten, Abbildungen und technischen Zeichnungen werden mit größtmöglicher Sorgfalt erstellt.
Dennoch kann keine Gewährleistung für die Fehlerfreiheit und Genauigkeit dieser Daten übernommen werden.

( freibleibend aus Lagervorrat / kurzfristig lieferbar / Lieferzeit nach Vereinbarung. Bitte fragen Sie nach. )
Artikel Menge Ø d1
[mm]
Ø d2
[mm]
Ø Rmax.
[mm]
b
[mm]
Schraube
DIN 912
h
[mm]
l ˜
[mm]
m
[mm]
G
[mm]
t
[mm]
Gewicht
[g]
62399110GR
1028-9M3 x 101214,58M3431
62399112GR
123031,811M4 x 1213158M3444
62399114GR
143233,911M4 x 1414159M3449
62399115GR
153639,413M5 x 161519,512M45,572
62399116GR
16 3839,413M5 x 16162013M45,581
62399118GR
184041,213M5 x 16172112,5M45,588
62399120GR
204246,415M6 x 161821,514M45,5105
62399122GR
224648,115M6 x 162022,512M45,5130
62399125GR
254850,815M6 x 16212312,5M45,5132
62399128GR
2854-15M6 x 1622,52918,5M57169
62399130GR
305658,615M6 x 182428,518M57171
62399132GR
325858,615M6 x 18252918M57187
62399135GR
356061,615M6 x 16263020M57192
62399138GR
3866-15M6 x 16273727M57225
62399140GR
4066-15M6 x 18273727M57220
62399145GR
457679,419M8 x 253141,528M68,5380
62399150GR
508284,219M8 x 2534,543,529M68,5431


zur Gruppe


Impressum AGB Hilfe Datenschutzerklärung Index


MÄDLER on Facebook Facebook MÄDLER on Youtube YouTube MÄDLER on X X MÄDLER on Instagram Instagram MÄDLER on Xingk Xing MÄDLER on Linkedin LinkedIn