Werkstoff: Werkstoff: Stahl, verzinkt und passiviert.
- Hochwertige Ausführung.
- Das Rutschmoment ist durch übliche Schraubwerkzeuge variabel einstellbar, auch im eingebauten Zustand.
- Durch Einbau zusätzlicher Tellerfedern kann der Drehmomentbereich erhöht werden (zusätzliche Federn müssen separat bestellt werden).
- Die Rutschnaben werden vorgebohrt und mit der maximalen Buchsenlänge (für bmax) geliefert.
Fertigbohrung, Passfedernut und Buchsenkürzen gegen Mehrpreis.
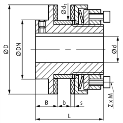
Erforderliche Buchsenlänge:
Je nach Breite des aufzunehmenden Bauteils wird eine bestimmte Buchsenlängebenötigt.

Art. 612 100 00: Buchsenlänge 4,2 mm für Bauteil-Breiten von 5,3 bis 6,0 mm.
Ab Art. 612 100 10: Buchsenlänge in mm = 1,5 x s + b + 0,5

Service:

Katalogseite

Betriebs / Wartungsanleitung

Zusätzliche Informationen



Die angebotenen CAD-Daten, Abbildungen und technischen Zeichnungen werden mit größtmöglicher Sorgfalt erstellt.
Dennoch kann keine Gewährleistung für die Fehlerfreiheit und Genauigkeit dieser Daten übernommen werden.

( freibleibend aus Lagervorrat / kurzfristig lieferbar / Lieferzeit nach Vereinbarung. Bitte fragen Sie nach. )
Artikel Menge BaugrößeMD standard
[Nm]
MD mit zusätzlicher Feder
[Nm]
Drehzahlmax.
[min-1]
Vorbohrung
[mm]
max. Bohrung
[mm]
D
[mm]
DN
[mm]
B
[mm]
d1 H8
[mm]
bmin.
[mm]
bmax.
[mm]
Buchsenlängemin.
[mm]
Buchsenlängemax.
[mm]
s
[mm]
L
[mm]
Schrauben Z x MGewicht
[kg]
61210000
000,5 - 51 - 10100003,71030 - 8,521462,24,22,5313x M40,1
61210010
02 - 104 - 2085005,72045 - 8,535266102,5336x M40,3
61210100
015 - 3510 - 706600102258401640388133456x M40,6
61210110
120 - 7540 - 15056001025684517443108153526x M50,9
61210200
225 - 14050 - 28043001435885819584129173576x M61,8
61210300
350 - 300100 - 600330018451157521725151121,54686x M83,4
61210400
490 - 600180 - 1200270024551409023856181224,54786x M85,5
61210500
5280 - 800800 - 160022002865170102299882016285926x M88,8
61210600
6300 - 1200600 - 24001900388020012031116823163151028x M2014,0
61210700
7600 - 22001200 - 4400160045100240150331448251633511312x M2022,6
61210800
8900 - 34001800 - 6800130058120285180351708251633511516x M2033,6


zur Gruppe


Impressum AGB Hilfe Datenschutzerklärung Index


MÄDLER on Facebook Facebook MÄDLER on Youtube YouTube MÄDLER on X X MÄDLER on Instagram Instagram MÄDLER on Xingk Xing MÄDLER on Linkedin LinkedIn