Werkstoff: Stahl, verzinkt und passiviert.

Die Rutschnaben werden vorgebohrt mit Standard-Buchselänge am Lager gehalten. Erforderliche Buchsenlänge: Je nach Breite des aufzunehmenden Bauteils wird eine bestimmte Buchsenlänge benötigt. Bis Art. 612 006 00: Buchsenlänge 4,2 mm für Bauteil-Breiten von 5,3 bis 6,0 mm. Ab Art. 612 010 00: Buchsenlänge in mm = 1,5 x s + b. Andere Buchsenlängen sowie Fertigbohrungen und Passfedernuten gegen Mehrpreis.

Service:

Katalogseite

Betriebs / Wartungsanleitung

Zusätzliche Informationen

Auswahltool



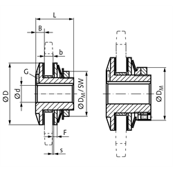
Die angebotenen CAD-Daten, Abbildungen und technischen Zeichnungen werden mit größtmöglicher Sorgfalt erstellt.
Dennoch kann keine Gewährleistung für die Fehlerfreiheit und Genauigkeit dieser Daten übernommen werden.

( freibleibend aus Lagervorrat / kurzfristig lieferbar / Lieferzeit nach Vereinbarung. Bitte fragen Sie nach. )
Artikel Menge BaugrößeTellerfedern
[Anzahl]
Drehmoment
[Nm]
Drehzahl max.
[min-1]
Vorbohrung d
[mm]
Bohrung d max.
[mm]
Außen-Ø D
[mm]
B
[mm]
Bohrung aufzun. Teile
[mm]
b max.
[mm]
Standard-Buchsenlänge
[mm]
alternative Buchsenlänge
[mm]
alternative Buchsenlänge
[mm]
F
[mm]
s
[mm]
L
[mm]
SW
[mm]
DM
[mm]
M
[mm]
G
[mm]
Gewicht
[kg]
61200000
120-120,5 - 5100003,710308,521,0064,2--22,531-30M16M40,15
61200100
120-241 - 10100003,710308,521,0064,2--22,531-30M16M40,17
61200500
180-112 - 1085005,720458,534,0074,2--22,533-45M30M40,35
61200600
180-224 - 2085005,720458,534,0074,2--22,533-45M30M40,37
61201000
250-117 - 3430001022641641,33910,312,21454,048SW 50-M35M50,70
61202000
250-2214 - 6830001022641641,33910,312,21454,048SW 50-M35M50,72
61203000
350-1120 - 9025001325901949,281613,710,32154,062SW 60-M42M61,36
61204000
350-2240 - 18025001325901949,281613,710,32154,062SW 60-M42M61,40
61205000
500-1150 - 300160019401272173,10161619,52164,076-92M63M83,36
61206000
500-22100 - 600160019401272173,10161619,52164,076-92M63M83,70
61207000
700-11115 - 6901200246017825104,882820,6172265,098-133M95M108,60
61208000
700-22230 - 13601200246017825104,882820,6172265,098-133M95M108,90


zur Gruppe


Impressum AGB Hilfe Datenschutzerklärung Index


MÄDLER on Facebook Facebook MÄDLER on Youtube YouTube MÄDLER on X X MÄDLER on Instagram Instagram MÄDLER on Xingk Xing MÄDLER on Linkedin LinkedIn