Werkstoff: Kupplungshälften aus Magnesium-Legierung. Zwischenstück aus Neopren (schwarz). Besonders geeignet für Pumpenantriebe, wo hohe Drehmomente bei geringen Kupplungsgewichten gefordert werden. Die Kupplungshälften sind aus einer Spezial-Magnesiumlegierung gefertigt. Das Zwischenstück aus Neopren nimmt die Stoßbelastungen elastisch auf. Über die Krempe des Neopreneinsatzes ergibt sich automatisch das richtige axiale Spiel. Gleichzeitig werden die Innenseiten der Kupplungen über die Krempen der Neopreneinsätze abgedichtet. Diese Abdichtungen machen es unnötig, auch bei Einsätzen insbesondere bei staubiger Umgebung die Kupplungen besonders zu schützen. Kein Passungsrost, daher leichte Demontage auch nach längeren Einsätzen. Die Kupplungshälften sind voll elektrisch isoliert. Fertigbohrungen und Passfedernuten gegen Mehrpreis. Temperaturbereich: -30 °C bis +120 °C.

### Auslaufartikel. Lieferbar zu den angegebenen Preisen nur noch soweit vorrätig. Danach Preis und Lieferzeit nur noch auf Anfrage. ###

Service:

Katalogseite

Zusätzliche Informationen



Die angebotenen CAD-Daten, Abbildungen und technischen Zeichnungen werden mit größtmöglicher Sorgfalt erstellt.
Dennoch kann keine Gewährleistung für die Fehlerfreiheit und Genauigkeit dieser Daten übernommen werden.

( freibleibend aus Lagervorrat / kurzfristig lieferbar / Lieferzeit nach Vereinbarung. Bitte fragen Sie nach. )
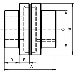
Artikel Menge Nenn-Drehmoment
[Nm]
Drehmoment max.
[Nm]
max. Drehzahl
[min -1]
Vorbohrung
[mm]
Bohrungen max.
[mm]
A
[mm]
B
[mm]
C
[mm]
D
[mm]
E
[mm]
Abst. zwischen Wellenenden min.
[mm]
Abst. zwischen Wellenenden max.
[mm]
Gewicht
[kg]
Ersatz-Zwischenring
[Art.-Nr.]
60302200
38,515023100 -2266665114171,619,00,34603 122 00
60302800
4520019900 -2879745717211,622,00,45603 128 00
60303800
7938015800 -3892887420241,622,00,90603 138 00
60304400
11960014700 -441091027726271,628,61,36603 144 00
60305700
24880011200 -5712012210227311,632,01,80603 157 00
60306400
55915809800 -6415215211441341,635,03,17603 164 00
60307300
131525008600 -7318017513253331,647,65,40603 173 00


zur Gruppe


Impressum AGB Hilfe Datenschutzerklärung Index


MÄDLER on Facebook Facebook MÄDLER on Youtube YouTube MÄDLER on X X MÄDLER on Instagram Instagram MÄDLER on Xingk Xing MÄDLER on Linkedin LinkedIn