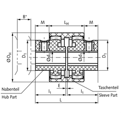
Werkstoff: Polyamid 6.6. Bitte beachten: Diese Kupplung besteht aus drei Einzelteilen. Ein Taschenteil und zwei Nabenteile müssen einzeln bestellt werden. Dadurch können innerhalb der Baugröße verschiedene Bohrungsgrößen kombiniert werden. Fertigbohrungen + 0,05/-0,10 mm mit Passfedernuten nach DIN 6885/1±0,08 mm. Gewindestifte aus Edelstahl V4A. Größte Axialverschiebung = max. ±1 mm. Größte Winkelverlagerung = max. ±1° pro Nabenteil. Größte Radialverlagerung bei Drehzahl 1500/min: Baugrößen 14 und 19: max. 0,3mm. Baugröße 24: max. 0,35mm. Die zulässigen Verlagerungswerte sind abhängig von Leistung und Drehzahl. Temperaturbereich: -25°C bis +100°C. Kurzzeitig bis +120°C.

Service:

Katalogseite

Betriebs / Wartungsanleitung

Zusätzliche Informationen

Auswahltool



Die angebotenen CAD-Daten, Abbildungen und technischen Zeichnungen werden mit größtmöglicher Sorgfalt erstellt.
Dennoch kann keine Gewährleistung für die Fehlerfreiheit und Genauigkeit dieser Daten übernommen werden.

( freibleibend aus Lagervorrat / kurzfristig lieferbar / Lieferzeit nach Vereinbarung. Bitte fragen Sie nach. )
Artikel Menge BaugrößeBauteilBohrung d1
[mm]
Bohrung d2
[mm]
D1
[mm]
D2
[mm]
Drehmom. normal
[Nm]
Drehmom. Spitze
[Nm]
DH
[mm]
l1
[mm]
Gewicht
[g]
60700000
14Taschenteil - - - -51040 -27
60700600
14Nabenteil6 -21 x 17 - 510 -2313,5
60700700
14Nabenteil7 -21 x 17 - 510 -2313,5
60700800
14Nabenteil8 -21 x 17 - 510 -2313,5
60700900
14Nabenteil9 -21 x 17 - 510 -2313,5
60701000
14Nabenteil10 -23 x 19,5 - 510 -2313,5
60701100
14Nabenteil11 -23 x 19,5 - 510 -2313,5
60701200
14Nabenteil12 -26 x 22 - 510 -2313,5
60701400
14Nabenteil14 -26 x 22 - 510 -2313,5
60720000
19Taschenteil - - - -81647 -34
60721200
19Nabenteil12 -27 x 24 -816 -2515,5
60721400
19Nabenteil14 -27 x 24 -816 -2515,5
60721600
19Nabenteil16 -29 x 27 -816 -2515,5
60721900
19Nabenteil19 -32 x 30 -816 -2515,5
60740000
24Taschenteil - - - -122453 -40
60741000
24Nabenteil10 -25,5 x 22 -12 24 -2625
60741100
24Nabenteil11 -25,5 x 22 -12 24 -2625
60741200
24Nabenteil12 -25,5 x 22 -12 24 -2625
60741400
24Nabenteil14 -30 x 27 -12 24 -2625
60741500
24Nabenteil15 -30 x 27 -12 24 -2625
60741600
24Nabenteil16 -30 x 27 -12 24 -2625
60741800
24Nabenteil18 -34,5 x 31 -12 24 -2625
60741900
24Nabenteil19 -34,5 x 31 -12 24 -2625
60742000
24Nabenteil20 -34,5 x 31 -12 24 -2625
60742400
24Nabenteil24 -37,5 x 36 -12 24 -2625


zur Gruppe


Impressum AGB Hilfe Datenschutzerklärung Index


MÄDLER on Facebook Facebook MÄDLER on Youtube YouTube MÄDLER on X X MÄDLER on Instagram Instagram MÄDLER on Xingk Xing MÄDLER on Linkedin LinkedIn