Werkstoff: Stahl.

  • Zur Befestigung einer Nabe (z.B. Antriebsrad, Rotor oder ähnliches) auf einer Welle.
  • Für hohe Drehmomente.
  • Selbstzentrierend.
  • Geringfügige axiale Verschiebung bei der Montage (kann durch entsprechende Positionierung ausgeglichen werden).
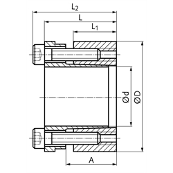
  • Rundlaufgenauigkeit 0,02 bis 0,04mm. Passungen: Welle h8, Nabe H8. Rautiefe Rz: max. 12,5 µm.



Service:

Katalogseite



Die angebotenen CAD-Daten, Abbildungen und technischen Zeichnungen werden mit größtmöglicher Sorgfalt erstellt.
Dennoch kann keine Gewährleistung für die Fehlerfreiheit und Genauigkeit dieser Daten übernommen werden.

( freibleibend aus Lagervorrat / kurzfristig lieferbar / Lieferzeit nach Vereinbarung. Bitte fragen Sie nach. )
Artikel Menge d
[mm]
D
[mm]
L1
[mm]
A
[mm]
L
[mm]
L2
[mm]
Übertragbares Drehmoment T
[Nm]
Übertragbare Axialkraft Fax
[kN]
Flächenpressung Welle PW
[N/mm²]
Flächenpressung Nabe PN
[N/mm²]
Schrauben (DIN 912, 12.9)
[Anz. x Größe]
Anzugsmoment TA
[Nm]
Gewicht
[kg]
61557019
19472630394535331228986 x M6 x 25170,39
61557020
204726303945530522741186 x M6 x 25170,37
61557022
224726303945582522471166 x M6 x 25170,35
61557024
245026303945650532441206 x M6 x 25170,40
61557025
255026303945680542161106 x M6 x 25170,38
61557028
285526303945760562001056 x M6 x 25170,45
61557030
305526303945850561921096 x M6 x 25170,43
61557032
3260263039451130702281218 x M6 x 25170,53
61557035
3560263039451220712061208 x M6 x 25170,50
61557038
3865263039451370711981148 x M6 x 25170,60
61557040
4065263039451410721841128 x M6 x 25170,56
61557042
42753035475521701002191226 x M8 x 30410,95
61557045
45753035475523301002041226 x M8 x 30410,92
61557048
48803035475524801001941176 x M8 x 30411,10
61557050
50803035475525601001821166 x M8 x 30411,00
61557055
55853035475537001302221418 x M8 x 30411,10
61557060
60903035475538001401921308 x M8 x 30411,16
61557065
65953035475546001401941318 x M8 x 30411,20
61557070
701104046617177002202091338 x M10 x 35832,30
61557075
751154046617181002201921268 x M10 x 35832,50
61557080
801204046617186002201821218 x M10 x 35832,70
61557085
85125404661711160027021414810 x M10 x 35832,90
61557090
90130404661711200027020013510 x M10 x 35833,20
61557095
95135404661711300028019613410 x M10 x 35833,50
61557100
10014546527082150003001731208 x M12 x 401454,00


zur Gruppe


Impressum AGB Hilfe Datenschutzerklärung Index


MÄDLER on Facebook Facebook MÄDLER on Youtube YouTube MÄDLER on X X MÄDLER on Instagram Instagram MÄDLER on Xingk Xing MÄDLER on Linkedin LinkedIn