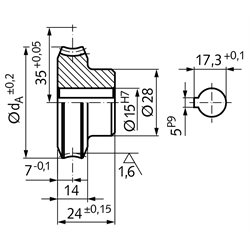
Werkstoff: Messing CuZn37Mn3Al2Si. Eingriffswinkel 15°. Bitte beachten: Diese Räder können nur mit Schnecken des gleichen Achsabstandes und mit dem gleichen Übersetzungsverhältnis zum Satz kombiniert werden. Für den Getriebebau ohne Nacharbeit zu verwenden. Das angegebene Abriebsmoment gilt für eine Eingangsdrehzahl (an der Schneckenwelle) von 2800/min. Die Werte für den Wirkungsgrad sind Richtwerte, da Lagerung, Schmierung, Drehzahl und Einbau den Wirkungsgrad zusätzlich zum Steigungswinkel beeinflussen. * Rad mit Schraubenradverzahnung.

Service:

Katalogseite

Betriebs / Wartungsanleitung

Zusätzliche Informationen



Die angebotenen CAD-Daten, Abbildungen und technischen Zeichnungen werden mit größtmöglicher Sorgfalt erstellt.
Dennoch kann keine Gewährleistung für die Fehlerfreiheit und Genauigkeit dieser Daten übernommen werden.

( freibleibend aus Lagervorrat / kurzfristig lieferbar / Lieferzeit nach Vereinbarung. Bitte fragen Sie nach. )
Artikel Menge Übersetzung
[i]
ModulZähnezahlSchrägungswinkel
[°]
dA
[mm]
max. Drehmoment
[Nm]
Gewicht
[g]
32200200
2,78 : 1 *1,52531°5546,766,6178
32200500
5 : 11,752522°5253,0015,3220
32200700
7,25 : 11,52913°4750,0014,7195
32200800
8 : 11,92414°2553,0016,7210
32201000
10 : 11,53010°4351,0016,0200
32201200
12 : 11,9249°1152,0016,1210
32201500
15 : 11,5307°0050,0015,3198
32202000
20 : 11,15405°3350,5014,8210
32202500
25 : 10,9504°0949,0012,9210
32203000
30 : 11,5303°2750,0015,0196
32204000
40 : 11,15402°4550,5014,7200
32205000
50 : 10,9502°0449,0012,9188
32205800
58 : 10,85582°2153,0014,5200
32209000
90 : 10,5901°0949,009,1198


zur Gruppe


Impressum AGB Hilfe Datenschutzerklärung Index


MÄDLER on Facebook Facebook MÄDLER on Youtube YouTube MÄDLER on X X MÄDLER on Instagram Instagram MÄDLER on Xingk Xing MÄDLER on Linkedin LinkedIn