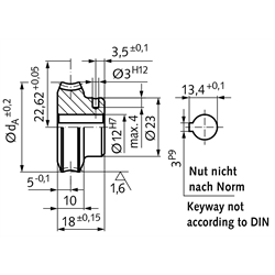
Werkstoff: Messing CuZn37Mn3Al2Si. Eingriffswinkel 15°. Bitte beachten: Diese Räder können nur mit Schnecken des gleichen Achsabstandes und mit dem gleichen Übersetzungsverhältnis zum Satz kombiniert werden. Bitte beachten: Passfedernut nicht nach DIN 6885. Für den Getriebebau ist nur die Stiftlochbohrung zu erweitern. Daher schnelle Montage möglich. Das angegebene Abriebsmoment gilt für eine Eingangsdrehzahl (an der Schneckenwelle) von 2800/min. Die Werte für den Wirkungsgrad sind Richtwerte, da Lagerung, Schmierung, Drehzahl und Einbau den Wirkungsgrad zusätzlich zum Steigungswinkel beeinflussen.

Service:

Katalogseite

Betriebs / Wartungsanleitung

Zusätzliche Informationen



Die angebotenen CAD-Daten, Abbildungen und technischen Zeichnungen werden mit größtmöglicher Sorgfalt erstellt.
Dennoch kann keine Gewährleistung für die Fehlerfreiheit und Genauigkeit dieser Daten übernommen werden.

( freibleibend aus Lagervorrat / kurzfristig lieferbar / Lieferzeit nach Vereinbarung. Bitte fragen Sie nach. )
Artikel Menge Übersetzung
[i]
ModulZähnezahlSchrägungswinkel
[°]
dA
[mm]
max. Drehmoment
[Nm]
Gewicht
[g]
32030300
3 : 112117°3624,82,240
32030400
4 : 11,252019°3229,83,654
32030700
7 : 11,252111°4629,83,654
32031000
10,5 : 11,252107°4129,83,454
32032100
21 : 11,252103°4829,83,453
32033000
30 : 10,93002°5029,83,655
32034000
40 : 10,74002°2029,83,960


zur Gruppe


Impressum AGB Hilfe Datenschutzerklärung Index


MÄDLER on Facebook Facebook MÄDLER on Youtube YouTube MÄDLER on X X MÄDLER on Instagram Instagram MÄDLER on Xingk Xing MÄDLER on Linkedin LinkedIn