Werkstoff: bis Modul 2: 11SMn30+SH (1.0715). Ab Modul 2,5: C45.
Verzahnungsqualität 8 analog DIN 3967 (ab Modul 2).
Zähne bis Modul 5 ballig gefräst, ab Modul 6 gerade gehobelt.
Achswinkel = 90º. Nicht gehärtet – nicht geläppt.
Die Kegelräder laufen nur paarweise im selben Übersetzungsverhältnis und bei gleichem Modul.

Hinweis zur Bestellung: Diese Räder werden einzeln geliefert, nicht als Satz. Für einen Satz müssen zwei Räder bestellt werden. Bei Übersetzung 1:1 sind 2 Stück mit dem gleichen Modul und der gleichen Zähnezahl erforderlich.

Service:

Katalogseite

Zusätzliche Informationen



Die angebotenen CAD-Daten, Abbildungen und technischen Zeichnungen werden mit größtmöglicher Sorgfalt erstellt.
Dennoch kann keine Gewährleistung für die Fehlerfreiheit und Genauigkeit dieser Daten übernommen werden.

( freibleibend aus Lagervorrat / kurzfristig lieferbar / Lieferzeit nach Vereinbarung. Bitte fragen Sie nach. )
Artikel Menge Übersetzung
[i]
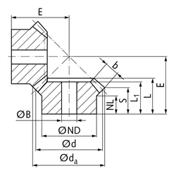
ModulZähnezahlda
[mm]
d
[mm]
ND
[mm]
NL
[mm]
L1
[mm]
L
[mm]
S
[mm]
b
[mm]
BH7
[mm]
E
[mm]
zul. MD
[Nm]
Gewicht
[g]
passendes Gegenrad
[Artikel-Nr.]
36021100
1:1 (20/20)0,52010,71084-7,05,0349,70,011136021100
36021500
1:1 (24/24)0,52412,712846,47,05,03410,70,018336021500
36022000
1:1 (30/30)0,53015,7151047,58,56,63413,70,032436022000
36022300
1:1 (36/36)0,53618,7181259,010,18,03416,70,0501036022300
36022600
1:1 (40/40)0,54020,7201258,59,57,53417,10,0641036022600
36023200
1:1 (50/50)0,55025,7251458,59,57,53419,60,1081636023200
36050300
1:1 (12/12)11213,012106,27,959,67,73513,20,035336050300
36050700
1:1 (16/16)11617,4161471011,28,745160,052936050700
36051000
1:1 (19/19)11920,419156,51011,89,245180,0851436051000
36051100
1:1 (20/20)12021,420166,11011,48,84518,10,1381536051100
36051300
1:1 (22/22)12223,4221871112,89,74,75200,1582236051300
36051800
1:1 (26/26)12627,4262271213,49,75,55220,1933536051800
36052000
1:1 (30/30)13031,4302271416,011,76,45260,295036052000
36052600
1:1 (40/40)14041,44030101819,815,768350,5511136052600
36070700
1:1 (16/16)1,51626,12420111517,314,15,18250,183236070700
36071100
1:1 (20/20)1,52032,1302291517,213,16,48270,344736071100
36071300
1:1 (22/22)1,52235,1332081517,112,678280,445036071300
36071600
1:1 (25/25)1,52539,637,52581517,612,37,9510300,627036071600
36072000
1:1 (30/30)1,53047,14530122021,915,69,610371,0113536072000
36072600
1:1 (40/40)1,54062,16040122527,719,112,715482,4631036072600
36100700
1:1 (16/16)21634,8322511,51820,716,46,810310,456636100700
36101100
1:1 (20/20)22042,84030101719,914,48,510330,8410436101100
36101300
1:1 (22/22)22246,84430101921,015,49,310361,0813036101300
36101600
1:1 (25/25)22552,8503581921,414,410,610381,5018236101600
36102000
1:1 (30/30)23062,86040122526,918,412,715472,4530636102000
36102600
1:1 (40/40)24082,88050153133,723,415,2206216,366036102600
36110700
1:1 (16/16)2,51643,74030102123,816,81110352,612036110700
36110900
1:1 (18/18)2,51848,74530102225,017,41210383,615036110900
36111100
1:1 (20/20)2,52053,75035102225,916,91410404,921036111100
36111300
1:1 (22/22)2,52258,75530102427,117,31510436,324036111300
36111600
1:1 (25/25)2,52566,262,545102528,817,61715479,337036111600
36112000
1:1 (30/30)2,53078,77550122932,719,320155516,356036112000
36112600
1:1 (40/40)2,540103,610060143135,421,820257033,6110036112600
36140700
1:1 (16/16)31652,44840122427,718,21510404,624036140700
36140900
1:1 (18/18)31858,45440102528,117,21710426,428036140900
36141100
1:1 (20/20)32064,46040102629,517,21915458,732036141100
36141300
1:1 (22/22)32270,4664082730,217,220154811,641036141300
36141600
1:1 (25/25)32579,47550102831,916,723155217,349036141600
36142000
1:1 (30/30)33094,49050123538,822,225206529,295036142000
36142600
1:1 (40/40)340124,412060153539,122,225258060,7160036142600
36180700
1:1 (16/16)41670,06450112932,921,019205011,142036180700
36180900
1:1 (18/18)41878,07250163641,027,022206015,664036180900
36181100
1:1 (20/20)42085,98050163943,528,024206520,881036181100
36181300
1:1 (22/22)42293,98850123740,924,026206527,994036181300
36181600
1:1 (25/25)425105,910060123842,723,030207041,9140036181600
36182000
1:1 (30/30)430125,912060184247,927,930258567,5200036182000
36182600
1:1 (40/40)440165,816080204853,232,93030110138,0420036182600
36210700
1:1 (16/16)51687,48060123641,525,725206222,286036210700
36210900
1:1 (18/18)51897,49060123742,223,729206530,7105036210900
36211100
1:1 (20/20)520107,410060123944,423,732257042,7130036211100
36211300
1:1 (22/22)522117,511070124348,525,735257757,5184036211300
36211600
1:1 (25/25)525132,412570124247,521,240308085,8214036211600
36212000
1:1 (30/30)530157,415070124451,324,7403096139,5352036212000
36212600
1:1 (40/40)540207,32009020526132,94035128,1288706036212600
36730900
1:1 (18/18)618116,51086015445431,335258154,8177036730900
36731100
1:1 (20/20)620128,51207015445427,8403083,476,3219036731100
36731600
1:1 (25/25)625158,51507515516026,7503097,3153,4379036731600
36732000
1:1 (30/30)630188,51809015516026,45035112,1250,6581036732000
36732600
1:1 (40/40)640248,524010020586732,95040148,65551160036732600
36771100
1:1 (20/20)820171,31609015526229,25040103,3181,6456036771100


zur Gruppe


Impressum AGB Hilfe Datenschutzerklärung Index


MÄDLER on Facebook Facebook MÄDLER on Youtube YouTube MÄDLER on X X MÄDLER on Instagram Instagram MÄDLER on Xingk Xing MÄDLER on Linkedin LinkedIn