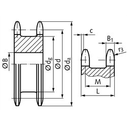
Werkstoff: Stahl C45. Zähne gefräst, Bohrungen vorgebohrt. Verzahnung induktiv gehärtet (ca. 50 HRC). Verwendung: Für zwei Einfach-Rollenketten nebeneinander. Nicht für Zweifach-Ketten (Duplex-Ketten) geeignet. Allgemeine Abmessungen: B1 = 9,1 mm, c = 1,6 mm, r3 = 16 mm. Weitere Abmessungen siehe Tabelle.

Service:

Katalogseite



Die angebotenen CAD-Daten, Abbildungen und technischen Zeichnungen werden mit größtmöglicher Sorgfalt erstellt.
Dennoch kann keine Gewährleistung für die Fehlerfreiheit und Genauigkeit dieser Daten übernommen werden.

( freibleibend aus Lagervorrat / kurzfristig lieferbar / Lieferzeit nach Vereinbarung. Bitte fragen Sie nach. )
Artikel Menge Zähnezahlda
[mm]
d
[mm]
B
[mm]
dg
[mm]
L
[mm]
M
[mm]
Gewicht
[kg]
12688412
1268,061,3415423424,90,51
12688413
1373,066,3215483424,90,62
12688414
1478,071,3415523424,90,74
12688415
1583,076,3615583424,90,87
12688416
1688,081,3715633424,91,02
12688417
1793,086,3915683424,91,17
12688418
1898,391,4215733424,91,34
12688419
19103,396,4520783424,91,49
12688420
20108,4101,4920833424,91,68
12688421
21113,4106,5220883424,91,88
12688423
23123,4116,5820983424,92,30
12688425
25134,0126,66201083424,92,77


zur Gruppe


Impressum AGB Hilfe Datenschutzerklärung Index


MÄDLER on Facebook Facebook MÄDLER on Youtube YouTube MÄDLER on X X MÄDLER on Instagram Instagram MÄDLER on Xingk Xing MÄDLER on Linkedin LinkedIn