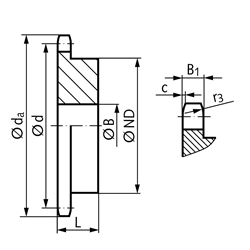
Werkstoff: Stahl C45, Zähne induktiv gehärtet (ca. HRC 50). Bohrungen vorgebohrt. Allgemeine Abmessungen: B1 = 7,2 mm, c = 1,3 mm, r3 = 13 mm. Weitere Abmessungen siehe Tabelle.

Service:

Katalogseite



Die angebotenen CAD-Daten, Abbildungen und technischen Zeichnungen werden mit größtmöglicher Sorgfalt erstellt.
Dennoch kann keine Gewährleistung für die Fehlerfreiheit und Genauigkeit dieser Daten übernommen werden.

( freibleibend aus Lagervorrat / kurzfristig lieferbar / Lieferzeit nach Vereinbarung. Bitte fragen Sie nach. )
Artikel Menge Zähnezahlda
[mm]
d
[mm]
ND
[mm]
B
[mm]
L
[mm]
Gewicht
[g]
10588108
837,733,1920102567
10588109
941,837,1324102597
10588110
1045,941,10261025121
10588111
1149,945,08291025153
10588112
1254,049,07331028213
10588113
1358,153,07371028265
10588114
1462,157,07411028323
10588115
1566,261,08451028386
10588116
1670,265,10501228460
10588117
1774,369,12521228509
10588118
1878,373,14561228588
10588119
1982,477,16601228673
10588120
2086,581,18641228763
10588121
2190,585,21681428849
10588122
2294,689,24701428914
10588123
2398,693,27701428945
10588124
24102,797,30701428978
10588125
25106,7101,337014281012
10588126
26110,7105,367016301094
10588127
27114,8109,407016301131
10588128
28118,8113,437016301170
10588129
29122,9117,468016301418
10588130
30126,9121,508016301460
10588132
32135,0129,579016301783
10588134
34143,1137,649016301876
10588135
35147,2141,689016301925
10588136
36151,2145,729016352215
10588138
38159,3153,799016352319
10588140
40167,4161,879016352430


zur Gruppe


Impressum AGB Hilfe Datenschutzerklärung Index


MÄDLER on Facebook Facebook MÄDLER on Youtube YouTube MÄDLER on X X MÄDLER on Instagram Instagram MÄDLER on Xingk Xing MÄDLER on Linkedin LinkedIn