Werkstoff: Stahl C45, Zähne gefräst und induktiv gehärtet (ca. HRC 50).

Gehärtete Kettenräder für Taper-Spannbuchsen, zur schnellen und einfachen Montage.
Verwendbar mit und ohne Passfeder. Die Taper-Spannbuchse muss separat bestellt werden.
Diese Buchsen sind in verschiedenen Außenmaßen mit einer Vielzahl unterschiedlicher Bohrungen erhältlich.

In diesem Youtube-Video zeigen wir Ihnen die Montage und Demontage von Taper-Spannbuchsen:

Film (3,5 Minuten)

Service:

Katalogseite

Katalogseite

Montageanleitung



Die angebotenen CAD-Daten, Abbildungen und technischen Zeichnungen werden mit größtmöglicher Sorgfalt erstellt.
Dennoch kann keine Gewährleistung für die Fehlerfreiheit und Genauigkeit dieser Daten übernommen werden.

( freibleibend aus Lagervorrat / kurzfristig lieferbar / Lieferzeit nach Vereinbarung. Bitte fragen Sie nach. )
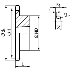
Artikel Menge Zähnezahlda
[mm]
d
[mm]
ND
[mm]
L
[mm]
Gewicht
[kg]
SpannbuchsentypBohrung min.
[mm]
Bohrung max.
[mm]
10878113
13117,0106,1273251,1016101242
10878114
14125,0114,1576251,2016101242
10878115
15133,0122,1776251,3016101242
10878116
16141,0130,2090321,3420121250
10878117
17149,0138,2290321,4920121250
10878118
18157,0146,28108451,7325171565
10878119
19165,2154,33108451,9725171565
10878120
20173,2162,38108452,6425171565
10878121
21181,2170,43110452,8825171565
10878122
22189,3178,48110453,1225171565
10878123
23197,5186,53110453,3625171565
10878124
24205,5194,59110453,6025171565
10878125
25213,5202,66110453,8925171565
10878126
26221,6210,72110454,2225171565
10878127
27229,6218,79110454,3225171565
10878128
28237,7226,85110454,5625171565
10878130
30254,0243,00140515,5230202075


zur Gruppe


Impressum AGB Hilfe Datenschutzerklärung Index


MÄDLER on Facebook Facebook MÄDLER on Youtube YouTube MÄDLER on X X MÄDLER on Instagram Instagram MÄDLER on Xingk Xing MÄDLER on Linkedin LinkedIn