Werkstoff: Stahl verzinkt, blau passiviert. Auflagepad: Gummi.

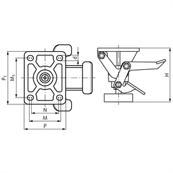
Ermöglicht die Fixierung und Entlastung eines mobilen Gerätes in einer festen Position. Die Montage erfolgt standardmäßig an der Unterseite des Gerätes, entweder neben einer Lenkrolle oder gleichmäßig zwischen zwei Lenkrollen. Bei Betätigung federt der Feststellfuß ca. 10 mm ein. Anpresskraft ca. 60 kg.

Temperaturbereich: -20°C bis +70°C.

Service:

Katalogseite

Zusätzliche Informationen



Die angebotenen CAD-Daten, Abbildungen und technischen Zeichnungen werden mit größtmöglicher Sorgfalt erstellt.
Dennoch kann keine Gewährleistung für die Fehlerfreiheit und Genauigkeit dieser Daten übernommen werden.

( freibleibend aus Lagervorrat / kurzfristig lieferbar / Lieferzeit nach Vereinbarung. Bitte fragen Sie nach. )
Artikel Menge Hmin.
[mm]
Hmax.
[mm]
für Rollen-Ø
[mm]
d
[mm]
P
[mm]
P1
[mm]
M
[mm]
M1
[mm]
N
[mm]
Gewicht
[kg]
77789125
14218012512,311014080105753,6
77789150
17020815012,311014080105753,6
77789160
17521316012,311014080105753,6
77789200
21725520012,311014080105753,6


zur Gruppe


Impressum AGB Hilfe Datenschutzerklärung Index


MÄDLER on Facebook Facebook MÄDLER on Youtube YouTube MÄDLER on X X MÄDLER on Instagram Instagram MÄDLER on Xingk Xing MÄDLER on Linkedin LinkedIn