Werkstoff: Gabel: Stahl verzinkt, blau passiviert.
Lauffläche: Thermoplastisches Polyurethan TPU, grau, 94 Shore A.
Radkörper: PA 6, verschraubt.
Radlagerung: Kugellager.
Schwenklagerung: Zweifacher Kugelkranz.

Für den Innenbereich. Geräuscharmer Lauf bei geringem Roll- und Schwenkwiderstand. Spurlos und kontaktverfärbungsfrei.

Temperaturbereich: -20°C bis +70°C (kurzzeitig bis +90°C).
Reduzierte Tragfähigkeit bei über +35°C.

* Radbreite

Service:

Katalogseite

Zusätzliche Informationen



Die angebotenen CAD-Daten, Abbildungen und technischen Zeichnungen werden mit größtmöglicher Sorgfalt erstellt.
Dennoch kann keine Gewährleistung für die Fehlerfreiheit und Genauigkeit dieser Daten übernommen werden.

( freibleibend aus Lagervorrat / kurzfristig lieferbar / Lieferzeit nach Vereinbarung. Bitte fragen Sie nach. )
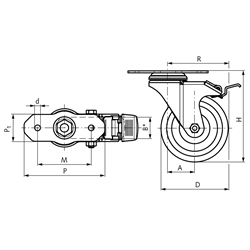
Artikel Menge D
[mm]
B
[mm]
H
[mm]
A
[mm]
R
[mm]
d
[mm]
P
[mm]
P1
[mm]
M
[mm]
Tragkraft
[kg]
Gewicht
[kg]
77792080
803211140808,512040801200,72
77792100
1003213640908,512040801200,82
77792125
1253216140102,58,512040801200,91


zur Gruppe


Impressum AGB Hilfe Datenschutzerklärung Index


MÄDLER on Facebook Facebook MÄDLER on Youtube YouTube MÄDLER on X X MÄDLER on Instagram Instagram MÄDLER on Xingk Xing MÄDLER on Linkedin LinkedIn