Zum Betrieb mit Kontrollbox GR/I und Hand-Operator GR/I.

Universell verwendbar, zum Betätigen von Fenstern, Klappen, Türen und anderen Stell- oder Schwenkvorrichtungen.
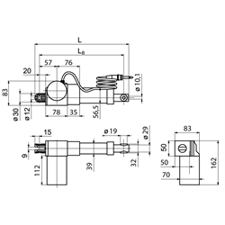
Linearantrieb, Kontrollbox und Hand-Operator ergeben eineneinbaufertigen Stellantrieb.

  • 2 Geschwindigkeiten.
  • 8 Hublängen. Zwischenlängen in 50 mm-Schritten auf Anfrage.
  • Anschluss wahlweise an 230V AC oder 24V DC-Kontrollbox.
  • Motorspannung 24V DC. Schutzart IP 66.
  • Kabel ca. 1,2m lang.

Linearantriebe, Kontrollbox und Hand-Operator müssen separat bestellt werden.
Bis zu 4 Linearantriebe können über einen Hand-Operator separat betrieben werden. Gleichlaufsteuerung auf Anfrage. Einschaltdauer: Aussetzbetrieb 10%, max. 2 Minuten. Im Antrieb ist ein Endschalter zur Motorabschaltung integriert. Standard: CE / UL 60601-1 / EN60601-1. Zulässige Umgebungstemperatur im Betrieb: -5°C bis +40°C.

Service:

Katalogseite

Betriebs / Wartungsanleitung



Die angebotenen CAD-Daten, Abbildungen und technischen Zeichnungen werden mit größtmöglicher Sorgfalt erstellt.
Dennoch kann keine Gewährleistung für die Fehlerfreiheit und Genauigkeit dieser Daten übernommen werden.

( freibleibend aus Lagervorrat / kurzfristig lieferbar / Lieferzeit nach Vereinbarung. Bitte fragen Sie nach. )
Artikel Menge Geschwindigkeit
[mm/sec]
Hublänge
[mm]
Zugbelastung max.
[N]
Druckbelastung max.
[N]
Länge L
[mm]
Abstand LB
[mm]
Gewicht
[kg]
47513010
3100400060003012751,98
47513020
3200400060004013752,12
47513030
3300400039005014752,40
47513040
3400400023006015752,62
47513050
3500400015007016752,78
47513060
3600400011008017752,98
47513080
3800400061010019753,40
47513100
310004000400120111753,80
47514010
12100200020003012751,98
47514020
12200200020004013752,12
47514030
12300200013005014752,40
47514040
1240020007666015752,62
47514050
1250020005097016752,78
47514060
1260020003668017752,98
47514080
12800200020210019753,40
47514100
1210002000133120111753,80


zur Gruppe


Impressum AGB Hilfe Datenschutzerklärung Index


MÄDLER on Facebook Facebook MÄDLER on Youtube YouTube MÄDLER on X X MÄDLER on Instagram Instagram MÄDLER on Xingk Xing MÄDLER on Linkedin LinkedIn