Werkstoff: Stahl St52, verzinkt.

Schwenkplatte inkl. Schrauben zur Befestigung des Getriebes an der Ober- oder Unterseite.

Service:

Katalogseite

Betriebs / Wartungsanleitung

Zusätzliche Informationen



Die angebotenen CAD-Daten, Abbildungen und technischen Zeichnungen werden mit größtmöglicher Sorgfalt erstellt.
Dennoch kann keine Gewährleistung für die Fehlerfreiheit und Genauigkeit dieser Daten übernommen werden.

( freibleibend aus Lagervorrat / kurzfristig lieferbar / Lieferzeit nach Vereinbarung. Bitte fragen Sie nach. )
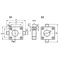
Artikel Menge BaugrösseAusführungA
[mm]
B
[mm]
C
[mm]
D
[mm]
EH13
[mm]
E1H13
[mm]
H
[mm]
Jh7
[mm]
K
[mm]
M
[mm]
V+0,5
[mm]
SchraubennormSchraubengröße
[mm]
Schraubenkopfhöhe
[mm]
Gewicht
[kg]
47500012
0Z1645448386,6118410157435ISO 4762 (DIN 912)M6 x 1660,4
47500013
0Z2645448386,6118410157435ISO 4762 (DIN 912)M6 x 1660,4
47500112
1Z180726052915110152010235ISO 4762 (DIN 912)M8 x 2080,8
47500113
1Z280726052915110152010235ISO 4762 (DIN 912)M8 x 2080,8
47500212
2Z1100857863915140202512544ISO 4762 (DIN 912)M8 x 3081,5
47500213
2Z2100857863915140202512544ISO 4762 (DIN 912)M8 x 3081,5
47500312
3Z1130105106811118170253014554ISO 4762 (DIN 912)M10 x 35103
47500313
3Z2130105106811118170253014554ISO 4762 (DIN 912)M10 x 35103
47500412
4Z118014515011513,520240354020566ISO 4762 (DIN 912)M12 x 50127
47500413
4Z218014515011513,520240354020566ISO 4762 (DIN 912)M12 x 50127


zur Gruppe


Impressum AGB Hilfe Datenschutzerklärung Index


MÄDLER on Facebook Facebook MÄDLER on Youtube YouTube MÄDLER on X X MÄDLER on Instagram Instagram MÄDLER on Xingk Xing MÄDLER on Linkedin LinkedIn