Werkstoff: Stahl C45 verzinkt.

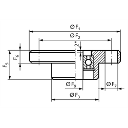
Anbauplatte für Montage auf einen Wellenzapfen am Spindelende.

* Mindestabstand zum Wellenzapfen am Spindelende.

Service:

Katalogseite

Betriebs / Wartungsanleitung

Zusätzliche Informationen



Die angebotenen CAD-Daten, Abbildungen und technischen Zeichnungen werden mit größtmöglicher Sorgfalt erstellt.
Dennoch kann keine Gewährleistung für die Fehlerfreiheit und Genauigkeit dieser Daten übernommen werden.

( freibleibend aus Lagervorrat / kurzfristig lieferbar / Lieferzeit nach Vereinbarung. Bitte fragen Sie nach. )
Artikel Menge BaugrösseF1
[mm]
F2
[mm]
F3
[mm]
F5
[mm]
F6
[mm]
F7
[mm]
F9
[mm]
KugellagerbezeichnungGewicht
[kg]
47500017
05040261674 x Ø71061800-2RS0,10
47500117
16548292074 x Ø91261801-2RS0,19
47500217
28060392084 x Ø11156002-2RS0,32
47500317
390674623104 x Ø112061904-2RS0,50
47500417
4110856030154 x Ø13256005-2RS1,10


zur Gruppe


Impressum AGB Hilfe Datenschutzerklärung Index


MÄDLER on Facebook Facebook MÄDLER on Youtube YouTube MÄDLER on X X MÄDLER on Instagram Instagram MÄDLER on Xingk Xing MÄDLER on Linkedin LinkedIn