Werkstoff: Stahl C45 verzinkt.

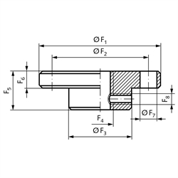
Anbauplatte mit metrischem Befestigungsgewinde, zur Montage am Spindelende.

Service:

Katalogseite

Betriebs / Wartungsanleitung

Zusätzliche Informationen



Die angebotenen CAD-Daten, Abbildungen und technischen Zeichnungen werden mit größtmöglicher Sorgfalt erstellt.
Dennoch kann keine Gewährleistung für die Fehlerfreiheit und Genauigkeit dieser Daten übernommen werden.

( freibleibend aus Lagervorrat / kurzfristig lieferbar / Lieferzeit nach Vereinbarung. Bitte fragen Sie nach. )
Artikel Menge BaugrösseF1
[mm]
F2
[mm]
F3
[mm]
F4
[mm]
F5
[mm]
F6
[mm]
F7
[mm]
F8
[mm]
Gewicht
[kg]
47500015
0504026M101674 x Ø7M40,1
47500115
1654829M122074 x Ø9M50,2
47500215
2806039M142084 x Ø11M60,3
47500315
3906746M2023104 x Ø11M80,6
47500415
41108560M3030154 x Ø13M81,3


zur Gruppe


Impressum AGB Hilfe Datenschutzerklärung Index


MÄDLER on Facebook Facebook MÄDLER on Youtube YouTube MÄDLER on X X MÄDLER on Instagram Instagram MÄDLER on Xingk Xing MÄDLER on Linkedin LinkedIn