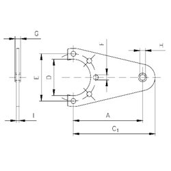
Werkstoff: Stahlblech verzinkt. Stütze mit Befestigungsschrauben zum Nachrüsten für Getriebemotoren HMD/I. Die Position kann in 90°-Schritten variiert werden (Größe 063 in 45°-Schritten).

Service:

Katalogseite



Die angebotenen CAD-Daten, Abbildungen und technischen Zeichnungen werden mit größtmöglicher Sorgfalt erstellt.
Dennoch kann keine Gewährleistung für die Fehlerfreiheit und Genauigkeit dieser Daten übernommen werden.

( freibleibend aus Lagervorrat / kurzfristig lieferbar / Lieferzeit nach Vereinbarung. Bitte fragen Sie nach. )
Artikel Menge GetriebegrößeA
[mm]
C1
[mm]
D
[mm]
E
[mm]
F
[mm]
G
[mm]
H
[mm]
I
[mm]
Schrauben-Anzahl+ GrößeGewicht
[kg]
43803500
0301001185065748,244x M60,21
43804500
0451001135065748,244x M60,21
43805500
0501001186894748,244x M60,26
43806500
06315018075909201164x M80,70
43808500
08520024011013011252164x M101,44


zur Gruppe


Impressum AGB Hilfe Datenschutzerklärung Index


MÄDLER on Facebook Facebook MÄDLER on Youtube YouTube MÄDLER on X X MÄDLER on Instagram Instagram MÄDLER on Xingk Xing MÄDLER on Linkedin LinkedIn