Werkstoff: Gehäuse: Edelstahl. Kugelpfanne: Kunststoff. Kugel: Edelstahl, gehärtet.

Mini-Kugelrolle mit Kunststoff-Gleitlager, z.B. für Zuführungen an Bearbeitungs- oder Verpackungsmaschinen. Einbaulage: beliebig.
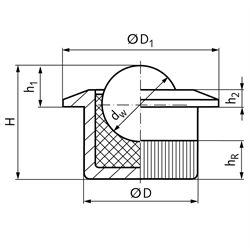
Die Kugelrolle wird in die Aufnahmebohrung mit Toleranz H7 eingedrückt und ist durch die Rändelung selbsthaltend.
Max. Geschwindigkeit 1,5m/sec.
pv-Wert max. 0,34 Nm/mm² x m/sec.
Temperaturbereich -50°C bis +90°C.

Service:

Katalogseite



Die angebotenen CAD-Daten, Abbildungen und technischen Zeichnungen werden mit größtmöglicher Sorgfalt erstellt.
Dennoch kann keine Gewährleistung für die Fehlerfreiheit und Genauigkeit dieser Daten übernommen werden.

( freibleibend aus Lagervorrat / kurzfristig lieferbar / Lieferzeit nach Vereinbarung. Bitte fragen Sie nach. )
Artikel Menge Größe
Ø dw
[mm]
Tragzahl
bei 0,5m/sec.
[N]
Tragzahl
bei 1,5m/sec.
[N]
D
[mm]
D1
[mm]
H
[mm]
h1
[mm]
h2
[mm]
hR
[mm]
Gewicht
[g]
65430506
6,522,67,53101311,23,21,24,24
65430508
8,538,6412,8812,61712,44,51,84,28


zur Gruppe


Impressum AGB Hilfe Datenschutzerklärung Index


MÄDLER on Facebook Facebook MÄDLER on Youtube YouTube MÄDLER on X X MÄDLER on Instagram Instagram MÄDLER on Xingk Xing MÄDLER on Linkedin LinkedIn