Werkstoff: Bis Zz = 72 Stahl phosphatiert, ab Zz = 80 GG 25 phosphatiert.

Die Funktion eines Zahnriemenantriebes wird in hohem Maße von der Güte der zugehörigen Zahnscheiben beeinflusst. HTD-Zahnscheiben sind Präzisionsteile. Sie werden mit Spezialfräsern teilungsgenau gefertigt. Dadurch wird ein präziser Zahneingriff erreicht.

Service:

Katalogseite

Zusätzliche Informationen



Die angebotenen CAD-Daten, Abbildungen und technischen Zeichnungen werden mit größtmöglicher Sorgfalt erstellt.
Dennoch kann keine Gewährleistung für die Fehlerfreiheit und Genauigkeit dieser Daten übernommen werden.

( freibleibend aus Lagervorrat / kurzfristig lieferbar / Lieferzeit nach Vereinbarung. Bitte fragen Sie nach. )
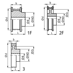
Artikel Menge ZähnezahlAusführungRiemenbreite
[mm]
Außen-Ø Zahnscheibe
[mm]
Außen-Ø Bordscheibe
[mm]
d
[mm]
ND
[mm]
b
[mm]
L
[mm]
Di
[mm]
Vorbohrung B
[mm]
max. Fertigbohrung B
[mm]
Gewicht
[kg]
17411100
221F2054,656056,02432838-12250,535
17411200
241F2059,746661,12452838-12280,645
17411250
251F2062,296663,66452838-12280,693
17411300
261F2064,847166,21482838-12300,753
17411400
281F2070,087571,30502838-14300,859
17411500
301F2075,128376,39552838-14321,02
17411600
321F2080,178781,49602838-14351,198
17411700
341F2085,219186,58662838-14421,36
17411800
361F2090,309791,67702838-14421,55
17411900
381F2095,3910396,77752838-14451,74
17412000
401F20100,49106101,86752838-14451,90
17412200
441F20110,67119112,05752838-14452,27
17412400
481F20120,86127122,23752838-14452,66
17412800
562F20141,23148142,6080283811614452,85
17413000
602F20151,42158152,7980283812514453,10
17413200
642F20161,60168162,9780283813714453,28
17413600
722F20181,97192183,3580283815814453,82
17414000
80320202,35-203,7290283818014504,32
17414500
90320227,81-229,1890283820414505,04
17415600
112320283,83-285,2190283826018756,00


zur Gruppe


Impressum AGB Hilfe Datenschutzerklärung Index


MÄDLER on Facebook Facebook MÄDLER on Youtube YouTube MÄDLER on X X MÄDLER on Instagram Instagram MÄDLER on Xingk Xing MÄDLER on Linkedin LinkedIn