Werkstoff: GG25.

Bohrungen ISO E8, Passfedernuten nach DIN 6885/1. Zöllige Bohrungen mit Passfedernut nach britischem Standard (BS). Konus und vordere Planfläche geschliffen. Gewinde BSW. Lieferung einschließlich Schrauben. Schraubengröße BSW 3/8" x 5/8". Schlüsselweite 5 mm (Ersatzschraube: Art. 622 503 99, Bestellmenge abhängig vom Bedarf). Wellentoleranz +0,05 / -0,125 mm. Verwendbar mit oder ohne Passfeder, je nach erforderlichem Drehmoment. Weitere Buchsengrößen und Bohrungsgrößen auf Anfrage.

In diesem Youtube-Video zeigen wir Ihnen die Montage und Demontage von Taper-Spannbuchsen: Film (3,5 Minuten)


Anzugsmoment: 20 Nm. Rutschmoment (bei Verwendung ohne Passfeder, ca.-Werte ohne Gewähr): Bohrung 19 mm: 98 Nm. Bohrung 24 mm: 135 Nm. Bohrung 38mm: 240 Nm. Bohrung 42 mm: 265 Nm.

Service:

Katalogseite

Montageanleitung



Die angebotenen CAD-Daten, Abbildungen und technischen Zeichnungen werden mit größtmöglicher Sorgfalt erstellt.
Dennoch kann keine Gewährleistung für die Fehlerfreiheit und Genauigkeit dieser Daten übernommen werden.

( freibleibend aus Lagervorrat / kurzfristig lieferbar / Lieferzeit nach Vereinbarung. Bitte fragen Sie nach. )
Artikel Menge Spannbuchse
[Nr.]
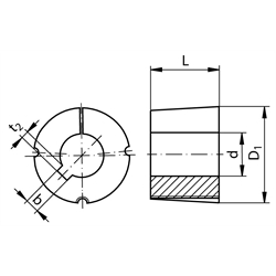
Bohrung d
[mm]
Nutbreite b
[mm]
Nuttiefe t2
[mm]
L
[mm]
D1
[mm]
Gewicht
[kg]
62250412
16101241,825,4570,416
6225041270
16101/2"1/8"1/16"25,4570,416
62250414
16101452,325,4570,412
62250415
16101552,325,4570,408
62250416
16101652,325,4570,402
62250417
16101752,325,4570,397
62250418
16101862,825,4570,390
62250419
16101962,825,4570,380
6225041905
16103/4"3/16"3/32"25,4570,380
62250420
16102062,825,4570,373
62250422
16102262,825,4570,366
6225042222
16107/8"1/4"1/8"25,4570,366
62250424
16102483,325,4570,356
62250425
16102583,325,4570,348
6225042540
16101"1/4"1/8"25,4570,348
62250428
16102883,325,4570,324
6225042857
16101 1/8"5/16"1/8"25,4570,324
62250430
16103083,325,4570,304
62250432
161032103,325,4570,280
62250435
161035103,325,4570,264
62250438
161038103,325,4570,240
62250440
161040123,325,4570,210
62250442
161042123,325,4570,200


zur Gruppe


Impressum AGB Hilfe Datenschutzerklärung Index


MÄDLER on Facebook Facebook MÄDLER on Youtube YouTube MÄDLER on X X MÄDLER on Instagram Instagram MÄDLER on Xingk Xing MÄDLER on Linkedin LinkedIn