Werkstoff: Azetalharz in gespritzter Ausführung, Farbe schwarz.
Bohrungen spanabhebend bearbeitet. Hohe Härte und niedriger Reibungskoeffizient lassen einen vielseitigen Einsatz dieser Zahnriemenräder auch unter Wasser zu. Werkstoffrichtwerte siehe Datenblatt.

Hinweis zu Rädern aus Azetalharz
Diese Spritzgussteile weisen im Inneren fertigungsbedingt Lunkerstellen auf und sollten daher nur geringfügig aufgebohrt werden. Bei größeren Bohrungen und beim Nuten werden die Lunkerstellen sichtbar. Die Funktion wird dadurch aber oft nicht beeinträchtigt.

Service:

Katalogseite

Zusätzliche Informationen

Werkstoffrichtwerte



Die angebotenen CAD-Daten, Abbildungen und technischen Zeichnungen werden mit größtmöglicher Sorgfalt erstellt.
Dennoch kann keine Gewährleistung für die Fehlerfreiheit und Genauigkeit dieser Daten übernommen werden.

( freibleibend aus Lagervorrat / kurzfristig lieferbar / Lieferzeit nach Vereinbarung. Bitte fragen Sie nach. )
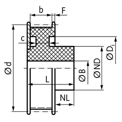
Artikel Menge ZähnezahlRiemenbreite
[mm]
Außen-Ø Zahnscheibe
[mm]
Außen-Ø Bordscheibe
[mm]
d
[mm]
ND
[mm]
NL
[mm]
Di
[mm]
F
[mm]
b
[mm]
L
[mm]
c
[mm]
Vorbohrung B
[mm]
Gewicht
[g]
16251200
121018,2620,6519,10158-1,2511,522-56,2
16251300
131019,8522,2520,69158-1,2511,522-57,2
16251400
141021,4423,8522,28158-1,2511,522-58,1
16251500
151023,0325,4523,87168191,2511,522768,6
16251600
161024,6227,0025,46168191,2511,522769,6
16251700
171026,2228,6027,06168191,2511,5227610,8
16251800
181027,8130,2028,65168191,2511,5227612,2
16251900
191029,4031,8030,24168221,2511,5226812,3
16252000
201030,9933,4031,83168251,2511,5226812,5
16252200
221034,1736,5535,01188271,2511,5226815,3
16252500
251038,9541,3539,79188321,2511,5226818,8
16252800
281043,7246,1544,56188361,2511,52261022,0
16253200
321050,0952,5050,93188421,2511,52261027,7
16253600
361056,4658,8557,30188471,2511,52261034,9
16254000
401062,8265,2563,66188531,2511,52261041,9
16254800
481075,5577,9576,39188661,2511,52261057,7
16256000
601094,6597,0595,49188851,2511,52261086,5
16257200
7210113,75116,15114,591881041,2511,522610126,5
16258400
8410132,85135,30133,691881231,2511,522610169,6


zur Gruppe


Impressum AGB Hilfe Datenschutzerklärung Index


MÄDLER on Facebook Facebook MÄDLER on Youtube YouTube MÄDLER on X X MÄDLER on Instagram Instagram MÄDLER on Xingk Xing MÄDLER on Linkedin LinkedIn