Werkstoff: Gehäuse Sinterstahl bzw. GG20. Hebelarm St52. Kettenrad aus Stahl.

Das Spannelement, ein kontinuierlich spannendes Torsionselement, verlängert die Lebensdauer von Ketten- und Riementrieben um mindestens 30% und reduziert drastisch Unterhalts- und Reparaturarbeiten. Die einmalige Funktionsweise dieser Feder bietet einen langen Spannweg, zumal der Hebelarm in beiden Richtungen bis zu 30 ° vorgespannt werden kann. Die permanente Torsionskraft kompensiert nicht nur automatisch die Kettenlängung, das gummigelagerte Element wirkt auch als Dämpfer von Vibrationen und Schlägen im gesamten Antrieb. Weitere Vorteile: Kettenspur einstellbar, Gummidämpfung, im Winkelbereich von 360 ° einstellbar, Spanndruck stufenlos von "normal" bis" hart" einstellbar. Für beide Spannrichtungen geeignet.

Service:

Katalogseite

Zusätzliche Informationen

CAD Daten



Die angebotenen CAD-Daten, Abbildungen und technischen Zeichnungen werden mit größtmöglicher Sorgfalt erstellt.
Dennoch kann keine Gewährleistung für die Fehlerfreiheit und Genauigkeit dieser Daten übernommen werden.

Auf Lager: Ja

Artikelnr.: 14050800

Staffelpreis in EUR pro STK:

15102550100
149,14136,95127,28117,61107,96100,97

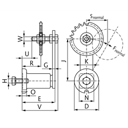
DIN / ISO-Nr. 16 B-1
Teilung [Zoll]1"x17,02mm
Zähnezahl13
Teilkreis-Ø [mm]106,14
Spannelement [Größe]4
Fmax. bei normal [N]1500
Fmax. bei hart [N]1875
S max. bei normal [mm]87,5
S max. bei hart [mm]70
D [mm]95
E [mm]140 +2-0,5
G [mm]10
H [mm]M 16
J [mm]175
K [mm]60
N [mm]66
O [mm]15
R [mm]60-100
U [mm]40
V [mm]153
W [mm]M 20
Gewicht [kg]4,80

Zurück zur Übersicht


Impressum AGB Hilfe Datenschutzerklärung Index


MÄDLER on Facebook Facebook MÄDLER on Youtube YouTube MÄDLER on X X MÄDLER on Instagram Instagram MÄDLER on Xingk Xing MÄDLER on Linkedin LinkedIn